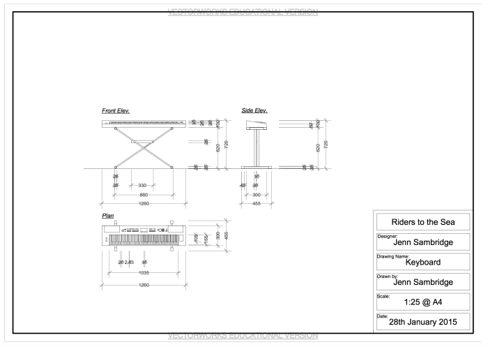
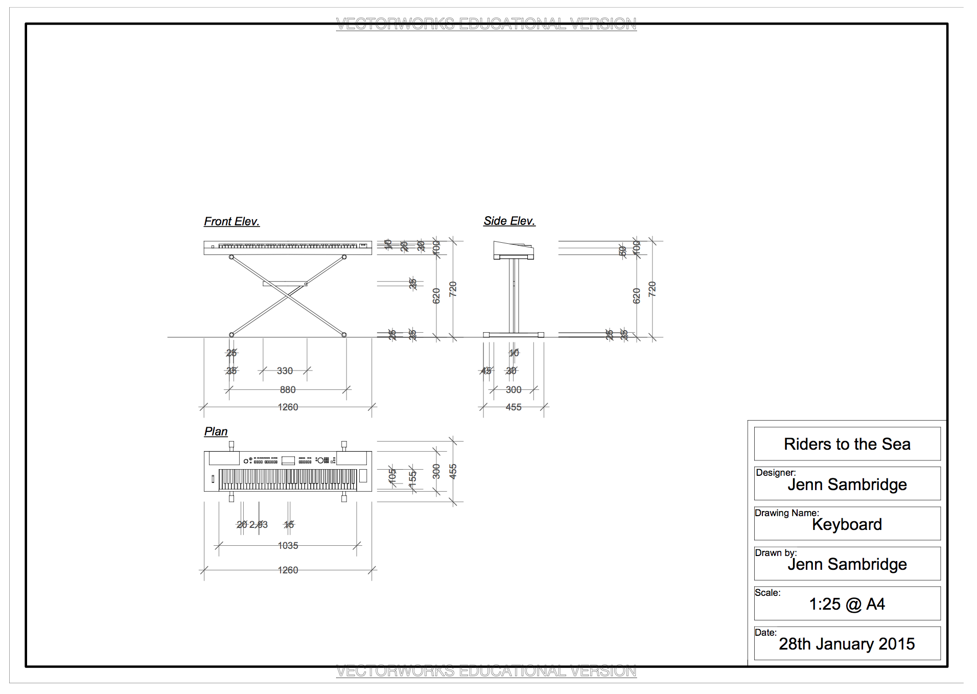
Vectorworks technical drawing of my keyboard for my final major project design for Vaughan Williams’ ‘Riders to the Sea’. Screen Shot 2015-03-28 at 14.55.01